Lazè semi-kondiktè Rof 1550nm Modil lazè estabilizasyon frekans lajè liy etwat
Karakteristik
Lajè liy: 2KHz-10KHz (personnalisable)
Pouvwa optik: 10mW-30mW (limite pa lajè liy lan, ka Customized)
Bri VRIN: -150dB/ Hz@100KHz
Aplikasyon
Sistèm deteksyon ak deteksyon fib optik (DTS, DVS, DAS, elatriye)
Paramèt
| Paramèt | Minimòm | Tip | Maksimòm | Inite | Remak |
| Longè vag | 1530 | 1550 | 1570 | nm | personnalisable |
| Pouvwa optik sòti | 10 | 30 | mW | personnalisable | |
| Bri entansite relatif | -150 | dB/Hz | @100kHz | ||
| Rapò rejè mòd kwen | 60 | 60 | dB | ||
| Rapò disparisyon polarizasyon | 20 | dB | |||
| Estabilite pouvwa | ±2% | -20°C ~ +70°C | |||
| Estabilite longèdonn | ±15 | pm | -20°C ~ +70°C | ||
| Dérivasyon frekans limyè a pou yon ti tan | 0.1 | 1 | MHz/s | ||
| Frekans limyè a chanje sou yon long peryòd tan | ±38 | MHz | 12 èdtan @25±2°C | ||
| Kouran k ap travay | 400 | 2000 | mA | ||
| Vòltaj fonksyònman | 4.75 | 5 | 5.25 | v | |
| Tanperati fonksyònman | -20 | 70 | °C | personnalisable | |
| Tanperati depo | -40 | 85 | °C | ||
| Imidite depo | 5 | 95 | %RH | ||
| Fib optik/Konektè | Fib ki kenbe polarizasyon (PM), FC-APC, reyon koube minimòm 35mm, tansyon fib maksimòm 5N | ||||
| Gwosè modil | Longè, lajè ak wotè 85 * 47 * 14mm | ||||
| Kalite modil | 145g (Kab pa enkli) | ||||
| Klas ESD | 500V | ||||
| Otantifikasyon/enstriksyon | CE, ROHS, WEEE | ||||
| Lajè liy ak paramèt bri | |||||
| Lajè liy ak bri | Nivo 1 | Nivo 2 | Nivo 3 | Inite | |
| Lajè liy entegral 1 | 10 | 5 | 3 | kilozèt kilozèt | |
| Lajè liy enstantane 2 | 1.17 | 0.78 | 0.32 | kilozèt kilozèt | |
| Bri optik @10Hz | 7E+06 | 1E+06 | 7E+05 | Hzrms^2/Hz | |
| Bri optik @200Hz | 7E+04 | 2E+04 | 6E+03 | Hzrms^2/Hz | |
Nòt 1: Yo mezire lajè liy entegral la pa entèferometri oto-eterodin ki pa an ekilib;
Nòt 2: Lajè liy enstantane a se lajè liy Lorentz la.
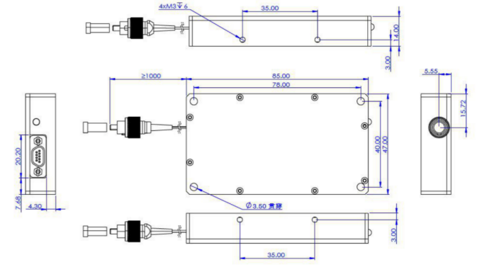
Gwosè estrikti: Inite (mm)

Definisyon pò:
| Sekansyèl | Non | Karakteristik/Espesifikasyon |
| 1 | Vcc | Pouvwa Antre 5V/3A, bri ki ba (rekòmande ondilasyon <5mV) |
| 2 | Tx (pwodiksyon) | Done sòti, 3.3V TTL (defo) |
| 3 | Rx(antre) | Antre done, 3.3VTTL (defo) |
| 4 | Tè | elektrikman |
| 5 | Tè | elektrikman |
| 6 | Vcc | Pouvwa Antre 5V/3A, bri ki ba (rekòmande ondilasyon <5mV) |
| 7 | Mod+(antre) | Antre siyal modulation, pa gen koneksyon ranvèse (fonksyon koutim) |
| 8 | Mod-(antre) | Referans siyal modulation, pa gen koneksyon ranvèse (fonksyon koutim) |
| 9 | Aktive (antre) | Entèfas rekòmanse modil, nivo ba default, rekòmanse nivo wo |
A pwopo de nou
Rofea Optoelectronics ofri yon seri konplè modilatè elektwo-optik komèsyal, modilatè faz, fotodetektè, sous limyè lazè, lazè DFB, anplifikatè optik, EDFA, lazè SLD, modilasyon QPSK, lazè pulsasyon, detektè limyè, fotodetektè balanse, lazè semi-kondiktè, chofè lazè, kouplè fib, lazè pulsasyon, anplifikatè fib optik, mèt pouvwa optik, lazè bande laj, lazè reglabl, modilatè elektwo-optik reta optik, detektè optik, chofè dyòd lazè, anplifikatè fib, anplifikatè fib dope ak èrbiyòm, ak sous limyè lazè. Anplis de sa, nou bay anpil modilatè personnalisable, tankou modilatè faz etalaj 1 * 4, Vpi ultra-ba, ak modilatè rapò ekstèksyon ultra-wo, ki yo sitou itilize nan inivèsite ak enstiti. Pwodwi nou yo ofri yon seri longèdonn 780 nm a 2000 nm ak Pleasant elektwo-optik jiska 40 GHz, prezante pèt ensèsyon ki ba, Vp ki ba, ak PER ki wo. Yo ideyal pou divès aplikasyon, sòti nan lyen RF analòg rive nan kominikasyon gwo vitès.
Gwo avantaj nan endistri a, tankou personnalisation, varyete, espesifikasyon, efikasite segondè, sèvis ekselan. Epi an 2016 li te genyen sètifikasyon antrepriz gwo teknoloji Beijing la, li gen anpil sètifika patant, fòs fò, pwodwi yo vann nan mache lokal ak aletranje, ak pèfòmans ki estab ak siperyè li yo pou genyen lwanj itilizatè yo nan peyi a ak aletranje!
21yèm syèk la se epòk devlopman rapid teknoloji fotoelektrik la, ROF dispoze fè tout sa l kapab pou l ba ou sèvis, epi kreye yon travay briyan avèk ou. N ap tann ak enpasyans pou nou kolabore avèk ou!
Rofea Optoelectronics ofri yon liy pwodwi modilatè elektwo-optik komèsyal, modilatè faz, modilatè entansite, fotodetektè, sous limyè lazè, lazè DFB, anplifikatè optik, EDFA, lazè SLD, modilasyon QPSK, lazè pulsasyon, detektè limyè, fotodetektè balanse, chofè lazè, anplifikatè fib optik, mèt pouvwa optik, lazè bande laj, lazè reglabl, detektè optik, chofè dyòd lazè, anplifikatè fib. Nou bay tou anpil modilatè patikilye pou personnalisation, tankou modilatè faz etalaj 1 * 4, Vpi ultra-ba, ak modilatè rapò ekstèksyon ultra-wo, sitou itilize nan inivèsite ak enstiti.
Espere pwodwi nou yo ap itil pou ou menm ak rechèch ou a.











